Toyota Tundra Service Manual: Components

COMPONENTS

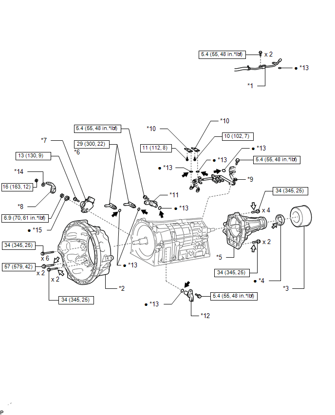
ILLUSTRATION

*1

AUTOMATIC TRANSMISSION BREATHER TUBE

*2

AUTOMATIC TRANSMISSION HOUSING

*3

EXTENSION HOUSING DUST DEFLECTOR

*4

EXTENSION HOUSING REAR OIL SEAL

*5

EXTENSION HOUSING SUB-ASSEMBLY

*6

OIL COOLER TUBE UNION

*7

PARK/NEUTRAL POSITION SWITCH ASSEMBLY

*8

TRANSMISSION CONTROL SHAFT LEVER RH

*9

TRANSMISSION WIRE

*10

TEMPERATURE SENSOR CLAMP

*11

SPEED SENSOR NT

*12

SPEED SENSOR SP2

*13

O-RING

*14

SPRING WASHER

*15

LOCK WASHER

-

-

N*m (kgf*cm, ft.*lbf): Specified torque

Non-reusable part

Toyota Genuine ATF WS

Adhesive 1324

MP grease

-

-

ILLUSTRATION

ILLUSTRATION

ILLUSTRATION

ILLUSTRATION

ILLUSTRATION

ILLUSTRATION

ILLUSTRATION

    Automatic Transmission Unit

    Inspection

    See More:

    Toyota Tundra Service Manual > Lin Communication System: Integration Control and Panel Assembly Communication Error
    DESCRIPTION The LIN communication of the components related to the mirror heater occurs between the air conditioning amplifier assembly and air conditioning control assembly. WIRING DIAGRAM CAUTION / NOTICE / HINT NOTICE: When using the Techstream with the ignition switch OFF to troubleshoot: Connec ...

    Toyota Tundra Owners Manual

    Toyota Tundra Service Manual

    © 2026 Copyright www.ttundra.com
    0.0278