Toyota Tundra Service Manual: System Diagram

SYSTEM DIAGRAM

Transmitting ECU (Transmitter)

Receiving ECU

Signal

Communication Method

Skid control ECU

4 wheel drive control ECU

  • Wheel speed sensor error signal
  • Wheel speed signal
  • Vehicle wheel sensor power supply decline status signal
  • Vehicle speed signal

CAN communication system

ECM

4 wheel drive control ECU

  • Shift position P signal
  • Shift position N signal

CAN communication system

4 wheel drive control ECU

Combination meter assembly

  • 4WD indicator ON and flashing request signal
  • L4 indicator ON and flashing request signal
  • Buzzer sound demand signal

CAN communication system

4 wheel drive control ECU

Skid control ECU

  • Motor energizing signal
  • 4WD status signal
  • L4 status signal

CAN communication system

4 wheel drive control ECU

ECM

  • Cruise control cancel request signal
  • 4WD status signal

CAN communication system

    System Description

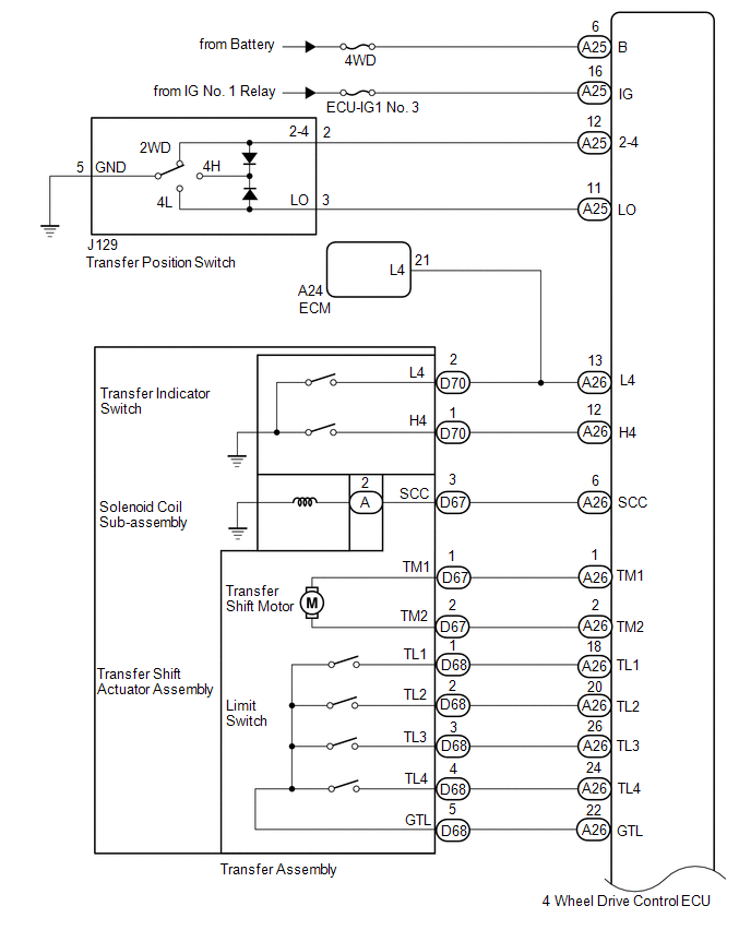
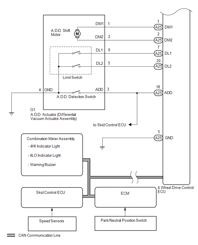
    Terminals Of Ecu

    See More:

    Toyota Tundra Service Manual > Power Door Lock Control System: All Doors LOCK/UNLOCK Functions do not Operate Via Door Control Switch
    DESCRIPTION The main body ECU (multiplex network body ECU) receives switch signals from the door control switch assembly on the driver and front passenger door and activates the door lock motor on each door according to these signals. WIRING DIAGRAM w/o Jam Protection Function: w/ Jam Protection Fun ...

    Toyota Tundra Owners Manual

    Toyota Tundra Service Manual

    © 2026 Copyright www.ttundra.com
    0.0283