Toyota Tundra Service Manual: Check Bus 1 Line for Short to GND

DESCRIPTION

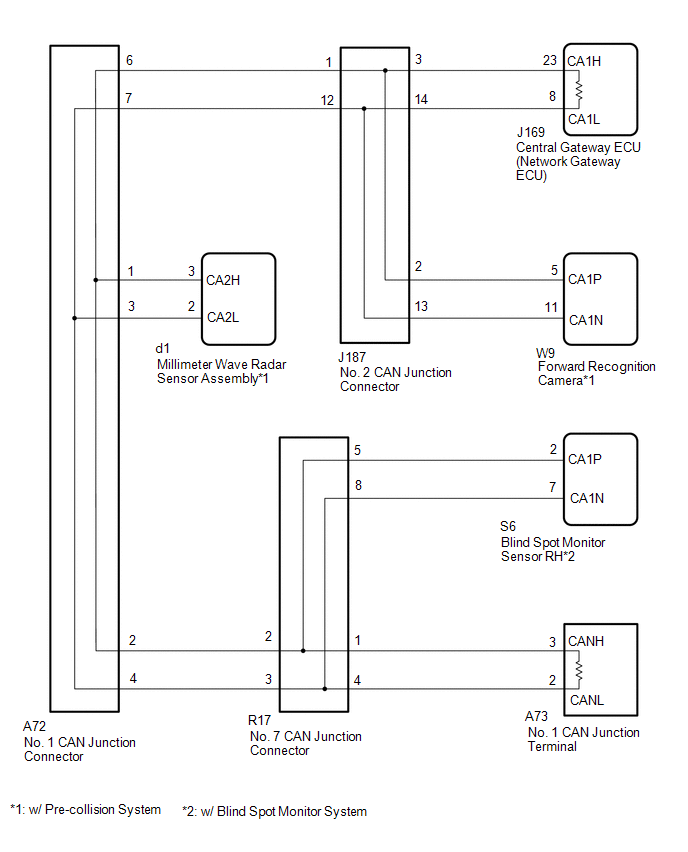
There may be a short circuit between one of the CAN bus lines and GND when there is no resistance between terminal 23 (CA1H) of the central gateway ECU (network gateway ECU) and terminal 4 (CG) of the DLC3, or terminal 8 (CA1L) of the central gateway ECU (network gateway ECU) and terminal 4 (CG) of the DLC3.

Symptom

Trouble Area

*1: w/ Pre-collision System

*2: w/ Blind Spot Monitor System

There is no resistance between terminal 23 (CA1H) of the central gateway ECU (network gateway ECU) and terminal 4 (CG) of the DLC3, or terminal 8 (CA1L) of the central gateway ECU (network gateway ECU) and terminal 4 (CG) of the DLC3.

  • Short to GND in CAN main bus line
  • Short to GND in CAN branch line
  • Central gateway ECU (network gateway ECU)
  • Forward recognition camera*1
  • Millimeter wave radar sensor assembly*1
  • Blind spot monitor sensor RH*2
  • No. 1 CAN junction terminal
  • No. 1 CAN junction connector
  • No. 2 CAN junction connector
  • No. 7 CAN junction connector

WIRING DIAGRAM

CAUTION / NOTICE / HINT

CAUTION:

When performing the confirmation driving pattern, obey all speed limits and traffic laws.

NOTICE:

  • Because the order of diagnosis is important to allow correct diagnosis, make sure to begin troubleshooting using How to Proceed with Troubleshooting when CAN communication system related DTCs are output.

    Click here

  • Before measuring the resistance of the CAN bus, turn the ignition switch off and leave the vehicle for 1 minute or more without operating the key or any switches, or opening or closing the doors. After that, disconnect the cable from the negative (-) battery terminal and leave the vehicle for 1 minute or more before measuring the resistance.
  • After turning the ignition switch off, waiting time may be required before disconnecting the cable from the negative (-) battery terminal. Therefore, make sure to read the disconnecting the cable from the negative (-) battery terminal notices before proceeding with work.

    Click here

  • Some parts must be initialized and set when replacing or removing and installing parts.

    Click here

  • After performing repairs, perform the DTC check procedure and confirm that the DTCs are not output again.

    DTC check procedure: Turn the ignition switch to ON and wait for 1 minute or more. Then operate the suspected malfunctioning system and drive the vehicle at 60 km/h (37 mph) or more for 5 minutes or more.

  • After the repair, perform the CAN bus check and check that all the ECUs and sensors connected to the CAN communication system are displayed as normal.

    Click here

HINT:

  • Before disconnecting related connectors for inspection, push in on each connector body to check that the connector is not loose or disconnected.
  • When a connector is disconnected, check that the terminals and connector body are not cracked, deformed or corroded.

PROCEDURE

1.

CHECK FOR SHORT TO GND IN CAN BUS WIRE (NO. 1 CAN JUNCTION CONNECTOR)

(a) Disconnect the cable from the negative (-) battery terminal.

(b) Disconnect the No. 1 CAN junction connector.

*a

Front view of wire harness connector

(to No. 1 CAN Junction Connector)

*b

Front view of DLC3

*c

to Millimeter Wave Radar Sensor (w/ Pre-collision System)

*d

to No. 7 CAN Junction Connector

*e

to No. 2 CAN Junction Connector

(c) Measure the resistance according to the value(s) in the table below.

Standard Resistance:

Tester Connection

Condition

Specified Condition

Connected to

*: w/ Pre-collision System

A72-1 (CANH) - J17-4 (CG)

Cable disconnected from negative (-) battery terminal

200 Ω or higher

Millimeter wave radar sensor*

A72-3 (CANL) - J17-4 (CG)

A72-2 (CANH) - J17-4 (CG)

Cable disconnected from negative (-) battery terminal

200 Ω or higher

No. 7 CAN junction connector

A72-4 (CANL) - J17-4 (CG)

A72-6 (CANH) - J17-4 (CG)

Cable disconnected from negative (-) battery terminal

200 Ω or higher

No. 2 CAN junction connector

A72-7 (CANL) - J17-4 (CG)

Result

Proceed to

OK

A

NG (No. 7 CAN junction connector CAN main wire)

B

NG (No. 2 CAN junction connector CAN main wire)

C

NG (Wire to ECU or sensor)

D

A

REPLACE NO. 1 CAN JUNCTION CONNECTOR

C

GO TO STEP 4

D

GO TO STEP 8

B

2.

CONNECT CONNECTOR

(a) Reconnect the A72 No. 1 CAN junction connector.

NEXT

3.

CHECK FOR SHORT TO GND IN CAN BUS WIRE (NO. 7 CAN JUNCTION CONNECTOR)

(a) Disconnect the No. 7 CAN junction connector.

*a

Front view of wire harness connector

(to No. 7 CAN Junction Connector)

*b

Front view of DLC3

*c

to No. 1 CAN Junction Terminal

*d

to No. 1 CAN Junction Connector

*e

to Blind Spot Monitor Sensor RH (w/ Blind Spot Monitor System)

(b) Measure the resistance according to the value(s) in the table below.

Standard Resistance:

Tester Connection

Condition

Specified Condition

Connected to

*: w/ Blind Spot Monitor System

R17-1 (CANH) - J17-4 (CG)

Cable disconnected from negative (-) battery terminal

200 Ω or higher

No. 1 CAN junction terminal

R17-4 (CANL) - J17-4 (CG)

R17-2 (CANH) - J17-4 (CG)

Cable disconnected from negative (-) battery terminal

200 Ω or higher

No. 1 CAN junction connector

R17-3 (CANL) - J17-4 (CG)

R17-5 (CANH) - J17-4 (CG)

Cable disconnected from negative (-) battery terminal

200 Ω or higher

Blind spot monitor sensor RH*

R17-8 (CANL) - J17-4 (CG)

Result

Proceed to

OK

A

NG (No. 1 CAN junction connector CAN main wire)

B

NG (Wire to ECU or sensor)

C

A

REPLACE NO. 7 CAN JUNCTION CONNECTOR

B

REPAIR OR REPLACE CAN MAIN WIRE OR CONNECTOR (NO. 7 CAN JUNCTION CONNECTOR - NO. 1 CAN JUNCTION CONNECTOR)

C

GO TO STEP 8

4.

CONNECT CONNECTOR

(a) Reconnect the A72 No. 1 CAN junction connector.

NEXT

5.

CHECK FOR SHORT TO GND IN CAN BUS WIRE (NO. 2 CAN JUNCTION CONNECTOR)

(a) Disconnect the No. 2 CAN junction connector.

*a

Front view of wire harness connector

(to No. 2 CAN Junction Connector)

*b

Front view of DLC3

*c

to No. 1 CAN Junction Connector

*d

to Forward Recognition Camera (w/ Pre-collision System)

*e

to Central Gateway ECU (Network Gateway ECU)

(b) Measure the resistance according to the value(s) in the table below.

Standard Resistance:

Tester Connection

Condition

Specified Condition

Connected to

*: w/ Pre-collision System

J187-1 (CANH) - J17-4 (CG)

Cable disconnected from negative (-) battery terminal

200 Ω or higher

No. 1 CAN junction connector

J187-12 (CANL) - J17-4 (CG)

J187-2 (CANH) - J17-4 (CG)

Cable disconnected from negative (-) battery terminal

200 Ω or higher

Forward recognition camera*

J187-13 (CANL) - J17-4 (CG)

J187-3 (CANH) - J17-4 (CG)

Cable disconnected from negative (-) battery terminal

200 Ω or higher

Central gateway ECU (network gateway ECU)

J187-14 (CANL) - J17-4 (CG)

Result

Proceed to

OK

A

NG (No. 1 CAN junction connector CAN main wire)

B

NG (Central gateway ECU [network gateway ECU] CAN main wire)

C

NG (Wire to ECU or sensor)

D

A

REPLACE NO. 2 CAN JUNCTION CONNECTOR

B

REPAIR OR REPLACE CAN MAIN WIRE OR CONNECTOR (NO. 2 CAN JUNCTION CONNECTOR - NO. 1 CAN JUNCTION CONNECTOR)

C

GO TO STEP 8

D

6.

CONNECT CONNECTOR

(a) Reconnect the J187 No. 2 CAN junction connector.

NEXT

7.

CHECK FOR SHORT TO GND IN CAN BUS WIRE (CENTRAL GATEWAY ECU [NETWORK GATEWAY ECU] - NO. 2 CAN JUNCTION CONNECTOR)

(a) Disconnect the central gateway ECU (network gateway ECU) connector.

*a

Front view of wire harness connector

(to Central Gateway ECU [Network Gateway ECU])

*b

Front view of DLC3

(b) Measure the resistance according to the value(s) in the table below.

Standard Resistance:

Tester Connection

Condition

Specified Condition

J169-23 (CA1H) - J17-4 (CG)

Cable disconnected from negative (-) battery terminal

200 Ω or higher

J169-8 (CA1L) - J17-4 (CG)

OK

REPLACE CENTRAL GATEWAY ECU (NETWORK GATEWAY ECU)

NG

REPAIR OR REPLACE CAN MAIN WIRE OR CONNECTOR (CENTRAL GATEWAY ECU [NETWORK GATEWAY ECU] - NO. 2 CAN JUNCTION CONNECTOR)

8.

CHECK FOR SHORT TO GND IN CAN BUS WIRE (ECU, SENSOR)

(a) Reconnect all wire harness connectors.

*a

Component with harness connected

(Central Gateway ECU [Network Gateway ECU])

*b

Front view of DLC3

(b) Disconnect the connector that includes terminals CANH and CANL from the ECU or sensor to which the bus line shorted to GND is connected.

Click here

(c) Measure the resistance according to the value(s) in the table below.

Standard Resistance:

Tester Connection

Condition

Specified Condition

J169-23 (CA1H) - J17-4 (CG)

Cable disconnected from negative (-) battery terminal

200 Ω or higher

J169-8 (CA1L) - J17-4 (CG)

HINT:

  • If the resistance changes to 200 Ω or higher when the connector is disconnected from the ECU or sensor, there may be a short in the ECU or sensor.
  • If the resistance does not become normal when the connector is disconnected from the ECU or sensor, check for a short to ground in the wire harness and repair or replace the wire harness or connector if necessary.
OK

REPLACE ECU OR SENSOR

NG

REPAIR OR REPLACE HARNESS OR CONNECTOR

    Check Bus 1 Line for Short to +B

    Check Bus 1 Lines for Short Circuit

    See More:

    Toyota Tundra Service Manual > Audio And Visual System: Radio Receiver Power Source Circuit
    DESCRIPTION This circuit provides power to the radio and display receiver assembly. WIRING DIAGRAM CAUTION / NOTICE / HINT NOTICE: Inspect the fuses for circuits related to this system before performing the following procedure. PROCEDURE 1. CHECK HARNESS AND CONNECTOR (RADIO AND DISPLAY RECEIVER ASS ...

    Toyota Tundra Owners Manual

    Toyota Tundra Service Manual

    © 2025 Copyright www.ttundra.com
    0.0386