Toyota Tundra Service Manual: Main Body ECU Communication Stop Mode

DESCRIPTION

Detection Item

Symptom

Trouble Area

Main Body ECU Communication Stop Mode

Any of the following conditions are met:

  • Communication stop for "Main Body" is indicated on the "Communication Bus Check" screen of the Techstream.

  • Communication system DTCs (DTCs that start with U) that correspond to "Main Body ECU Communication Stop Mode" in "DTC Combination Table" are output.

  • Main body ECU (multiplex network body ECU) branch wire or connector
  • Power source circuit of main body ECU (multiplex network body ECU) or driver side junction block assembly
  • Main body ECU (multiplex network body ECU) or driver side junction block assembly ground circuit
  • Main body ECU (multiplex network body ECU) or driver side junction block assembly

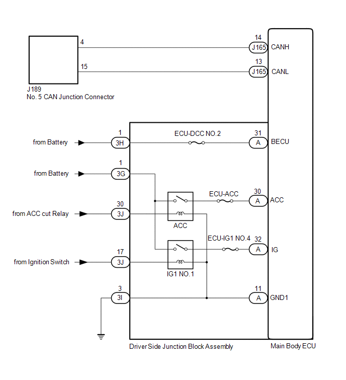
WIRING DIAGRAM

CAUTION / NOTICE / HINT

CAUTION:

When performing the confirmation driving pattern, obey all speed limits and traffic laws.

NOTICE:

  • Because the order of diagnosis is important to allow correct diagnosis, make sure to begin troubleshooting using How to Proceed with Troubleshooting when CAN communication system related DTCs are output.

    Click here

  • Before measuring the resistance of the CAN bus, turn the ignition switch off and leave the vehicle for 1 minute or more without operating the key or any switches, or opening or closing the doors. After that, disconnect the cable from the negative (-) battery terminal and leave the vehicle for 1 minute or more before measuring the resistance.
  • After turning the ignition switch off, waiting time may be required before disconnecting the cable from the negative (-) battery terminal. Therefore, make sure to read the disconnecting the cable from the negative (-) battery terminal notices before proceeding with work.

    Click here

  • Some parts must be initialized and set when replacing or removing and installing parts.

    Click here

  • After performing repairs, perform the DTC check procedure and confirm that the DTCs are not output again.

    DTC check procedure: Turn the ignition switch to ON and wait for 1 minute or more. Then operate the suspected malfunctioning system and drive the vehicle at 60 km/h (37 mph) or more for 5 minutes or more.

  • After the repair, perform the CAN bus check and check that all the ECUs and sensors connected to the CAN communication system are displayed as normal.

    Click here

  • Inspect the fuses for circuits related to this system before performing the following procedure.

HINT:

  • Before disconnecting related connectors for inspection, push in on each connector body to check that the connector is not loose or disconnected.
  • When a connector is disconnected, check that the terminals and connector body are not cracked, deformed or corroded.

PROCEDURE

1.

CHECK FOR OPEN IN CAN BUS WIRE (MAIN BODY ECU [MULTIPLEX NETWORK BODY ECU] BRANCH WIRE)

(a) Disconnect the cable from the negative (-) battery terminal.

(b) Disconnect the main body ECU (multiplex network body ECU) connector.

*a

Front view of wire harness connector

(to Main Body ECU [Multiplex Network Body ECU])

(c) Measure the resistance according to the value(s) in the table below.

Standard Resistance:

Tester Connection

Condition

Specified Condition

J165-14 (CANH) - J165-13 (CANL)

Cable disconnected from negative (-) battery terminal

54 to 69 Ω

NG

REPAIR OR REPLACE CAN BRANCH WIRE OR CONNECTOR

OK

2.

CHECK HARNESS AND CONNECTOR (POWER SOURCE CIRCUIT)

(a) Remove the main body ECU (multiplex network body ECU).

Click here

(b) Reconnect the driver side junction block assembly connector.

*a

Component without harness connected

(Driver Side Junction Block Assembly)

(c) Measure the resistance according to the value(s) in the table below.

Standard Resistance:

Tester Connection

Condition

Specified Condition

A-11 (GND1) - Body ground

Cable disconnected from negative (-) battery terminal

Below 1 Ω

(d) Reconnect the cable to the negative (-) battery terminal.

NOTICE:

When disconnecting the cable, some systems need to be initialized after the cable is reconnected.

Click here

(e) Measure the voltage according to the value(s) in the table below.

Standard Voltage:

Tester Connection

Condition

Specified Condition

A-31 (BECU) - Body ground

Always

11 to 14 V

A-30 (ACC) - Body ground

Ignition switch on (ACC)

11 to 14 V

Ignition switch off

Below 1 V

A-32 (IG) - Body ground

Ignition switch on (IG)

11 to 14 V

Ignition switch off

Below 1 V

OK

REPLACE MAIN BODY ECU (MAIN BODY ECU [MULTIPLEX NETWORK BODY ECU])

NG

3.

CHECK HARNESS AND CONNECTOR (POWER SOURCE CIRCUIT)

(a) Disconnect the driver side junction block assembly connectors.

*a

Front view of wire harness connector

(to Driver Side Junction Block Assembly)

-

-

(b) Measure the resistance according to the value(s) in the table below.

Standard Resistance:

Tester Connection

Condition

Specified Condition

3l-3 - Body ground

Always

Below 1 Ω

(c) Measure the voltage according to the value(s) in the table below.

Standard Voltage:

Tester Connection

Condition

Specified Condition

3G-1 - Body ground

Always

11 to 14 V

3H-1 - Body ground

Always

11 to 14 V

3J-17 - Body ground

Ignition switch ON

11 to 14 V

Ignition switch off

Below 1 V

3J-30 - Body ground

Ignition switch ACC

11 to 14 V

Ignition switch off

Below 1 V

OK

REPLACE MAIN BODY ECU (DRIVER SIDE JUNCTION BLOCK ASSEMBLY)

NG

REPAIR OR REPLACE HARNESS OR CONNECTOR (POWER SOURCE CIRCUIT)

    How To Proceed With Troubleshooting

    Millimeter Wave Radar Sensor Communication Stop Mode

    See More:

    Toyota Tundra Service Manual > Power Door Lock Control System: All Doors LOCK/UNLOCK Functions do not Operate Via Door Control Switch
    DESCRIPTION The main body ECU (multiplex network body ECU) receives switch signals from the door control switch assembly on the driver and front passenger door and activates the door lock motor on each door according to these signals. WIRING DIAGRAM w/o Jam Protection Function: w/ Jam Protection Fun ...

    Toyota Tundra Owners Manual

    Toyota Tundra Service Manual

    © 2025 Copyright www.ttundra.com
    0.0097