Toyota Tundra Service Manual: Tilt Position Sensor or Tilt Motor Circuit Malfunction (B2610)

Toyota Tundra Service Manual / Steering / Steering Column / Power Tilt And Power Telescopic Steering Column System / Tilt Position Sensor or Tilt Motor Circuit Malfunction (B2610)

DESCRIPTION

The tilt motor (steering column assembly) is operated by the power source voltage supplied from the multiplex tilt and telescopic ECU and tilts the steering column up and down. The tilt position sensor (Hall IC) in the tilt motor (steering column assembly) detects the tilt angle of the steering column assembly and sends a signal to the multiplex tilt and telescopic ECU based on that angle.

DTC Code

Detection Condition

Trouble Area

B2610

Tilt operation stops within the operation range while operating.

  • TI & TE fuse
  • Tilt position sensor (steering column assembly)
  • Tilt motor (steering column assembly)
  • Harness or connector
  • Multiplex tilt and telescopic ECU

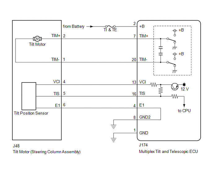
WIRING DIAGRAM

CAUTION / NOTICE / HINT

HINT:

Inspect the fuses for circuits related to this system before performing the following inspection procedure.

PROCEDURE

1.

PERFORM ACTIVE TEST USING TECHSTREAM (TILT OPERATION)

(a) Turn the ignition switch off.

(b) Connect the Techstream to the DLC3.

(c) Turn the ignition switch to ON.

(d) Turn the Techstream on.

(e) Check that the steering wheel tilts up and down.

(f) Enter the following menus: Body Electrical / Tilt & Telescopic / Active Test.

Body Electrical / Tilt & Telescopic / Active Test

Tester Display

Measurement Item

Control Range

Diagnostic Note

Tilt Operation

Tilt operation

UP/DOWN

-

OK:

The steering wheel tilts up and down.

NG

GO TO STEP 6

OK

2.

CHECK HARNESS AND CONNECTOR (MULTIPLEX TILT AND TELESCOPIC ECU - TILT POSITION SENSOR (STEERING COLUMN ASSEMBLY))

(a) Disconnect the J174 multiplex tilt and telescopic ECU connector.

(b) Disconnect the J48 tilt motor (steering column assembly) connector.

(c) Measure the resistance according to the value(s) in the table below.

Standard Resistance:

Tester Connection

Condition

Specified Condition

J174-13 (VCI) - J48-4 (VCI)

Always

Below 1 Ω

J174-16 (TIS) - J48-5 (TIS)

Always

Below 1 Ω

J174-4 (E1) -J48-6 (E1)

Always

Below 1 Ω

J174-13 (VCI) or J48-4 (VCI) - Body ground

Always

10 kΩ or higher

J174-16 (TIS) or J48-5 (TIS) - Body ground

Always

10 kΩ or higher

J174-4 (E1) or J48-6 (E1) - Body ground

Always

10 kΩ or higher

NG

REPAIR OR REPLACE HARNESS OR CONNECTOR

OK

3.

CHECK HARNESS AND CONNECTOR (MULTIPLEX TILT AND TELESCOPIC ECU - BODY GROUND)

(a) Disconnect the J174 multiplex tilt and telescopic ECU connector.

*a

Front view of wire harness connector

(to Multiplex Tilt and Telescopic ECU)

(b) Measure the resistance according to the value(s) in the table below.

Standard Resistance:

Tester Connection

Condition

Specified Condition

J174-1 (GND) - Body ground

Always

Below 1 Ω

J174-8 (GND2) - Body ground

Always

Below 1 Ω

NG

REPAIR OR REPLACE HARNESS OR CONNECTOR

OK

4.

CHECK MULTIPLEX TILT AND TELESCOPIC ECU (VCI, TIS TERMINAL VOLTAGE)

(a) Disconnect the J48 tilt motor (steering column assembly) connector.

*a

Component with harness connected

(Multiplex Tilt and Telescopic ECU)

(b) Reconnect the J174 multiplex tilt and telescopic ECU connector.

(c) Measure the voltage according to the value(s) in the table below.

Standard Voltage:

Tester Connection

Condition

Specified Condition

J174-13 (VCI) - J174-4 (E1)

Ignition switch ON

8 to 14 V

J174-16 (TIS) - J174-4 (E1)

Ignition switch ON

8 to 14 V

NG

REPLACE MULTIPLEX TILT AND TELESCOPIC ECU

OK

5.

CHECK TILT POSITION SENSOR (STEERING COLUMN ASSEMBLY)

(a) Reconnect the J174 multiplex tilt and telescopic ECU connector.

*a

Component with harness connected

(Tilt Motor (Steering Column Assembly))

(b) Reconnect the J48 tilt motor (steering column assembly) connector.

(c) Measure the voltage according to the value(s) in the table below.

Standard Voltage:

Tester Connection

Condition

Specified Condition

J48-5 (TIS) - J48-6 (E1)

Steering wheel tilting up or tilting down

Pulse generation

High: 8 to 14 V

Low: Below 1 V

OK

REPLACE MULTIPLEX TILT AND TELESCOPIC ECU

NG

REPLACE STEERING COLUMN ASSEMBLY

6.

CHECK HARNESS AND CONNECTOR (MULTIPLEX TILT AND TELESCOPIC ECU - BATTERY)

(a) Disconnect the J174 multiplex tilt and telescopic ECU connector.

*a

Front view of wire harness connector

(to Multiplex Tilt and Telescopic ECU)

(b) Measure the voltage according to the value(s) in the table below.

Standard Voltage:

Tester Connection

Condition

Specified Condition

J174-2 (+B) - Body ground

Always

11 to 14 V

NG

REPAIR OR REPLACE HARNESS OR CONNECTOR

OK

7.

CHECK HARNESS AND CONNECTOR (MULTIPLEX TILT AND TELESCOPIC ECU - BODY GROUND)

(a) Disconnect the J174 multiplex tilt and telescopic ECU connector.

*a

Front view of wire harness connector

(to Multiplex Tilt and Telescopic ECU)

(b) Measure the resistance according to the value(s) in the table below.

Standard Resistance:

Tester Connection

Condition

Specified Condition

J174-1 (GND) - Body ground

Always

Below 1 Ω

J174-8 (GND2) - Body ground

Always

Below 1 Ω

NG

REPAIR OR REPLACE HARNESS OR CONNECTOR

OK

8.

CHECK HARNESS AND CONNECTOR (MULTIPLEX TILT AND TELESCOPIC ECU - TILT MOTOR (STEERING COLUMN ASSENBLY))

(a) Disconnect the J174 multiplex tilt and telescopic ECU connector.

(b) Disconnect the J48 tilt motor (steering column assembly) connector.

(c) Measure the resistance according to the value(s) in the table below.

Standard Resistance:

Tester Connection

Condition

Specified Condition

J174-7 (TIM+) - J48-2 (TIM+)

Always

Below 1 Ω

J174-20 (TIM-) - J48-1 (TIM-)

Always

Below 1 Ω

J174-7 (TIM+) or J48-2 (TIM+) - Body ground

Always

10 kΩ or higher

J174-20 (TIM-) or J48-1 (TIM-) - Body ground

Always

10 kΩ or higher

NG

REPAIR OR REPLACE HARNESS OR CONNECTOR

OK

9.

CHECK TILT MOTOR (STEERING COLUMN ASSEMBLY)

(a) Apply 12 V battery voltage to the tilt motor (steering column assembly) connector. Then check the steering wheel tilt operation.

OK:

Measurement Condition

Specified Condition

  • 12 V battery positive (+) lead → Terminal 1 (TIM-)
  • 12 V battery negative (-) lead → Terminal 2 (TIM+)

The steering wheel tilts down.

  • 12 V battery positive (+) lead → Terminal 2 (TIM+)
  • 12 V battery negative (-) lead → Terminal 1 (TIM-)

The steering wheel tilts up.

*a

Component without harness connected

(Tilt Motor (Steering Column Assembly))

OK

REPLACE MULTIPLEX TILT AND TELESCOPIC ECU

NG

REPLACE STEERING COLUMN ASSEMBLY

    Tilt and Telescopic Manual Switch Circuit Malfunction (B2603)

    Telescopic Position Sensor or Telescopic Motor Circuit Malfunction (B2611)

    See More:

    Toyota Tundra Service Manual > Key Reminder Warning System: Data List / Active Test
    DATA LIST / ACTIVE TEST 1. READ DATA LIST HINT: Using the Techstream to read the Data List allows the values or states of switches, sensor, actuators and other items to be read without removing any parts. This non-intrusive inspection can be very useful because intermittent conditions or signals may ...

    Toyota Tundra Owners Manual

    Toyota Tundra Service Manual

    © 2025 Copyright www.ttundra.com
    0.0273