Manuals
OM
SM
Top
Sitemap
Search
Downloads
Toyota Tundra Service Manual: System Diagram
Toyota Tundra Service Manual
/
Audio, Visual, Telematics
/
Navigation / Multi Info Display
/
Navigation System
/ System Diagram
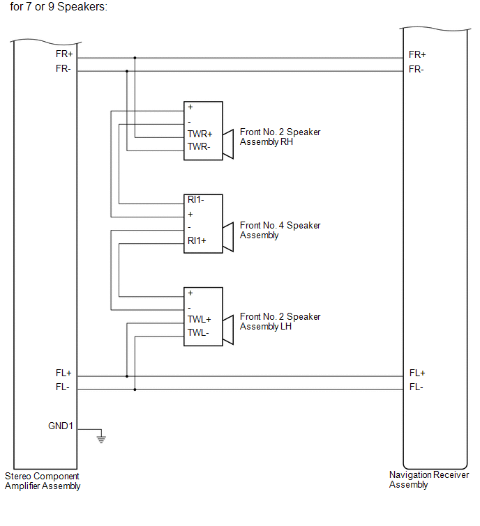
SYSTEM DIAGRAM
System Description
Terminals Of Ecu
See More:
Toyota Tundra Service Manual > Navigation System: System Diagram
SYSTEM DIAGRAM ...
Toyota Tundra Owners Manual
For your information
Pictorial index
For safety and security
Instrument cluster
Operation of each component
Driving
Multimedia
Interior features
Maintenance and care
When trouble arises
Vehicle specifications
For owners
Toyota Tundra Service Manual
General
Audio, Visual, Telematics
Brake
Engine, Hybrid System
Power Source, Network
Steering
Vehicle Interior
© 2026 Copyright www.ttundra.com
0.0342