Toyota Tundra Service Manual: Lost Communication with Blind Spot Monitor Slave Module (U0232)

Toyota Tundra Service Manual / Audio, Visual, Telematics / Park Assist / Monitoring / Blind Spot Monitor System / Lost Communication with Blind Spot Monitor Slave Module (U0232)

DESCRIPTION

This DTC is stored when the blind spot monitor sensor RH judges that there is a communication problem with the blind spot monitor sensor LH.

DTC No.

DTC Detection Condition

Trouble Area

U0232

The blind spot monitor sensor (master) cannot receive signals from the blind spot monitor sensor (slave)

  • Open or short in CAN bus main wire or connector
  • Blind spot monitor sensor LH
  • Power source circuit of blind spot monitor sensor LH
  • Blind spot monitor sensor LH ground circuit
  • Blind spot monitor sensor RH

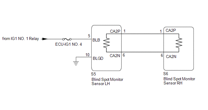
WIRING DIAGRAM

CAUTION / NOTICE / HINT

NOTICE:

  • When checking for DTCs, make sure that the blind spot monitor system is turned on.
  • Inspect the fuses for circuits related to this system before performing the following procedure.
  • Before measuring the resistance of the CAN bus, turn the ignition switch off and leave the vehicle for 1 minute or more without operating the key or any switches, or opening or closing the doors. After that, disconnect the cable from the negative (-) battery terminal and leave the vehicle for 1 minute or more before measuring the resistance.
  • After turning the ignition switch off, waiting time may be required before disconnecting the cable from the negative (-) battery terminal. Therefore, make sure to read the disconnecting the cable from the negative (-) battery terminal notices before proceeding with work.

    Click here

HINT:

  • Operating the ignition switch, any other switches or a door triggers related ECU and sensor communication on the CAN. This communication will cause the resistance value to change.
  • Even after DTCs are cleared, if a DTC is stored again after driving the vehicle for a while, the malfunction may be occurring due to vibration of the vehicle. In such a case, wiggling the ECUs or wire harness while performing the inspection below may help determine the cause of the malfunction.

PROCEDURE

1.

CHECK HARNESS AND CONNECTOR (BLIND SPOT MONITOR SENSOR LH - BATTERY AND BODY GROUND)

(a) Disconnect the blind spot monitor sensor LH connector.

*a

Front view of wire harness connector

(to Blind Spot Monitor Sensor LH)

(b) Measure the resistance according to the value(s) in the table below.

Standard Resistance:

Tester Connection

Condition

Specified Condition

S5-10 (BLGD) - Body ground

Always

Below 1 Ω

(c) Measure the voltage according to the value(s) in the table below.

Standard Voltage:

Tester Connection

Switch Condition

Specified Condition

S5-5 (BLB) - Body ground

Ignition switch ON

11 to 14 V

S5-5 (BLB) - Body ground

Ignition switch off

Below 1 V

NG

REPAIR OR REPLACE HARNESS OR CONNECTOR

OK

2.

CHECK FOR OPEN OR SHORT IN CAN BUS WIRES (BLIND SPOT MONITOR SENSOR RH)

(a) Disconnect the cable from the negative (-) battery terminal.

*a

Front view of wire harness connector

(to blind spot monitor sensor RH)

*b

DLC3

(b) Disconnect the blind spot monitor sensor RH connector.

(c) Measure the resistance according to the value(s) in the table below.

Standard Resistance:

Tester Connection

Condition

Specified Condition

S6-1 (CA2P) - S6-6 (CA2N)

Cable disconnected from negative (-) battery terminal

108 to 132 Ω

S6-1 (CA2P) - J17-4 (CG)

Cable disconnected from negative (-) battery terminal

200 Ω or higher

S6-6 (CA2N) - J17-4 (CG)

Cable disconnected from negative (-) battery terminal

200 Ω or higher

S6-1 (CA2P) - J17-16 (BAT)

Cable disconnected from negative (-) battery terminal

6 kΩ or higher

S6-6 (CA2N) - J17-16 (BAT)

Cable disconnected from negative (-) battery terminal

6 kΩ or higher

OK

REPLACE BLIND SPOT MONITOR SENSOR RH

NG

3.

CHECK FOR SHORT IN CAN BUS WIRES (BLIND SPOT MONITOR SENSOR LH)

(a) Disconnect the cable from the negative (-) battery terminal.

*a

Front view of wire harness connector

(to blind spot monitor sensor LH)

*b

DLC3

(b) Disconnect the blind spot monitor sensor LH connector.

(c) Measure the resistance according to the value(s) in the table below.

Standard Resistance:

Tester Connection

Condition

Specified Condition

S5-1 (CA2P) - S5-6 (CA2N)

Cable disconnected from negative (-) battery terminal

108 to 132 Ω

S5-1 (CA2P) - J17-4 (CG)

Cable disconnected from negative (-) battery terminal

200 Ω or higher

S5-6 (CA2N) - J17-4 (CG)

Cable disconnected from negative (-) battery terminal

200 Ω or higher

S5-1 (CA2P) - J17-16 (BAT)

Cable disconnected from negative (-) battery terminal

6 kΩ or higher

S5-6 (CA2N) - J17-16 (BAT)

Cable disconnected from negative (-) battery terminal

6 kΩ or higher

OK

REPLACE BLIND SPOT MONITOR SENSOR LH

NG

REPAIR OR REPLACE CAN MAIN WIRE OR CONNECTOR

    Lost Communication with ECM / PCM "A" (U0100,U0125,U0126,U0129,U0142)

    Software Incompatibility with Body Control Module "B" (U1331)

    See More:

    Toyota Tundra Service Manual > Vehicle Stability Control System: Steering Angle Sensor Internal Circuit (C1433)
    DESCRIPTION This DTC is stored when the skid control ECU (brake actuator assembly) receives an internal malfunction signal from the steering angle sensor (spiral with sensor cable sub-assembly). DTC No. Detection Item DTC Detection Condition Trouble Area C1433 Steering Angle Sensor Internal Circuit ...

    Toyota Tundra Owners Manual

    Toyota Tundra Service Manual

    © 2025 Copyright www.ttundra.com
    0.0095