Toyota Tundra Service Manual: System Diagram

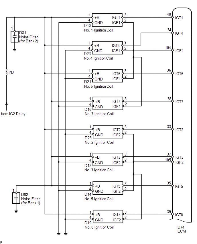
SYSTEM DIAGRAM

    Parts Location

    1ur-fe Intake

    See More:

    Toyota Tundra Service Manual > Power Window Control System(w/o Jam Protection Function): Key-off Operation Function Operates even if Operating Conditions are not Satisfied
    DESCRIPTION When the front doors are closed and the ignition switch is turned from ON to OFF, each power window regulator motor can control its power window operation for approximately 43 +/-1.5 seconds by receiving operation permission signals from the main body ECU (multiplex network body ECU). Ho ...

    Toyota Tundra Owners Manual

    Toyota Tundra Service Manual

    © 2026 Copyright www.ttundra.com
    0.0333